首页>信息公开>城市规划公示>项目公示>调整公示
项目名称: 关于苏运艳在三亚市吉阳区红郊社区四组欧家园五巷建设私人住宅楼设计变更的批前公示
公示开始时间: 2025-11-14 公示结束时间: 2025-11-24
公示来源: 三亚市自然资源和规划局 公示状态:

项目详情

苏运艳向我局提出因原设计建筑布局不合理,就位于三亚市吉阳区红郊社区四组五巷私人住宅楼申请建筑平面布局优化调整,具体如下:

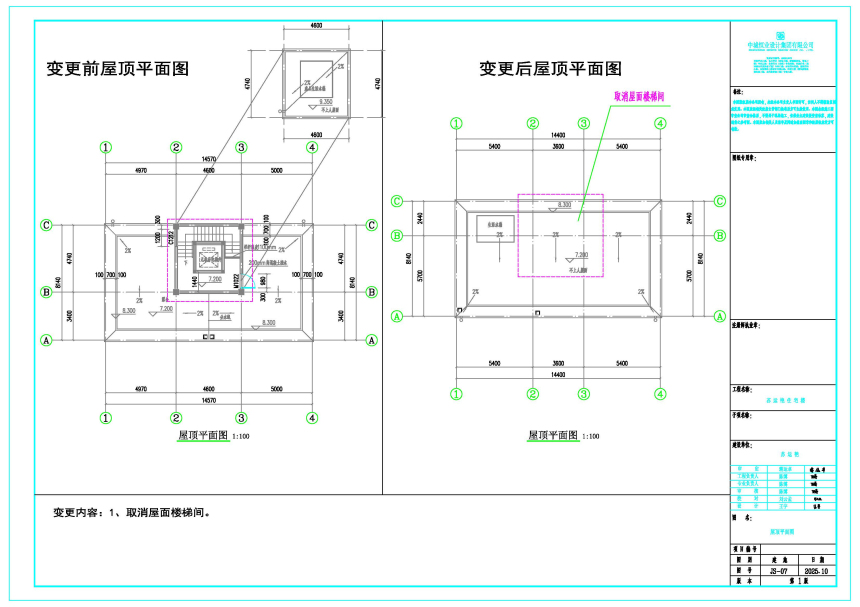
一、总平面图

1.总图座标有变化。

2.主要经济技术指标,总建筑面积减少、计容面积减少、占地面积减少、建筑密度及容积率相应的减少。

3.±0.000的绝对标高为15.80米、调整为16.90米。

二、地下负一、负二层平面图

1、原南侧总长14.77m调整为14.60m。

2、原北侧楼梯间调整到西侧,并取消电梯间。

3、层高4.2m调整为4.1m。

三、一层平面图

1、原南侧总长14.77m调整为14.60m。

2、原北侧楼梯间调整到西侧,并取消电梯间及原有卧室。

3、取消原西侧卫生间,原客厅调整厨餐厅。

4、原北侧加热间调整为卫生间。

四、二层平面图

1、原南侧总长14.77m调整为14.60m。

2、原北侧楼梯间调整到西侧,并取消电梯间及原有卧室。

3、取消原西侧卫生间。

4、取消原东侧卧室套内卫生间。

5、取消原东侧卧室套内卫生间

五、立面图

立面根据平面功能做相应的改变。

根据有关规定,现按程序对该项目调整前后建筑设计方案进行批前公示,公示时间为7个工作日(2025年11月14日至2025年11月24日)。如需听证或对上述变更内容有意见,请于公示结束前反馈,意见反馈方式:

一、电子邮件请发送到:sy88362336@sanya.gov.cn;

二、书面意见请邮寄到:三亚市吉阳区吉阳大道218号A1栋401室,三亚市自然资源和规划局吉阳分局,邮政编码:572000;

三、咨询电话:88712568,联系人:谭毅金。

意见反馈请注明联系方式,单位反馈意见并加盖公章。

附件:1.调整前后对比效果图

      2.调整前后对比总图

      3.调整前后对比施工图






















扫一扫在手机打开当前页

版权所有@三亚市自然资源和规划局   中文域名:三亚市自然资源和规划局.政务

主办:三亚市自然资源和规划局   开发维护:三亚市营商环境综合服务中心

ICP备案编号:琼ICP备2025053545号    政府网站标识码:4602000050   琼公网安备琼公网安备 46020302000122号