首页>信息公开>城市规划公示>项目公示>批前公示
项目名称: 关于符玉川在三亚市吉阳区红沙社区胜利街中路39-1号建设私人住宅楼项目的批前公示
公示开始时间: 2026-03-17 公示结束时间: 2026-03-25
公示来源: 三亚市自然资源和规划局 公示状态:

项目详情

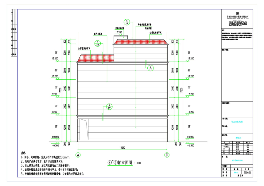
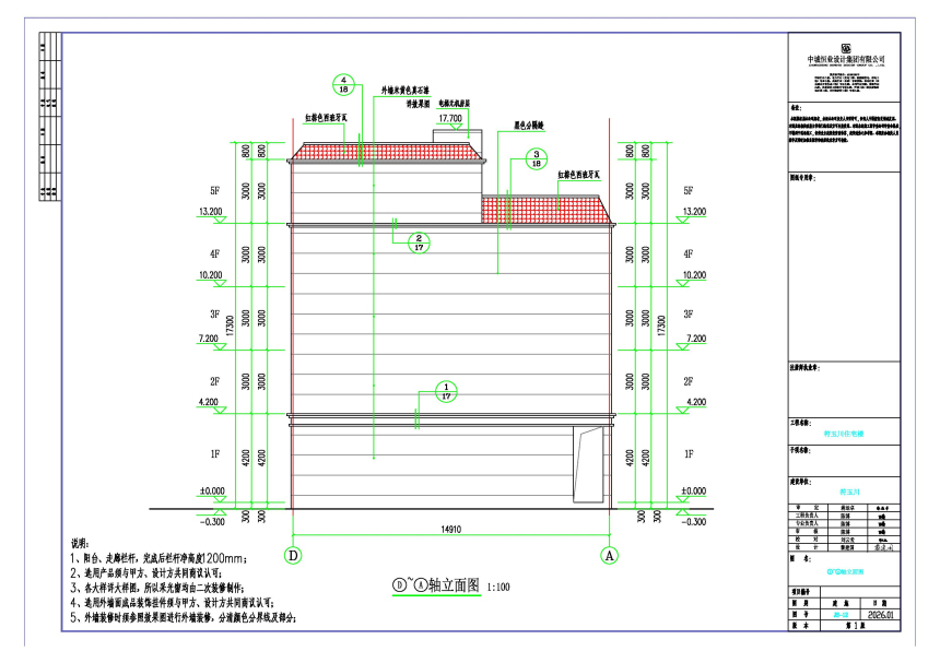
符玉川申请在三亚市吉阳区红沙社区胜利街中路39-1号用地内建设私人住宅楼一栋,相关指标为:该私宅用地面积197.13平方米,建筑占地面积137.20平方米,总建筑面积603.82平方米(全计容),建筑层数为地上四层局部五层,建筑退线要求为:东南侧退用地红线至少0.34米;西北侧退用地红线至少0.30米;东北侧退用地红线2.42米;西南侧退用地红线至少2.00米,首层做退建筑控制线1.80米的骑楼。东南侧、西北侧不得开设门窗、阳台等,并做防火墙处理,未尽说明事宜详见总平面图。

根据《中华人民共和国城乡规划法》《住房和城乡建设部关于城乡规划公开公示的规定》等相关要求,现按程序对该项目总平面图、效果图等进行批前公示,公示时间为7个工作日(2026年3月17日至2026年3月25日),如对该私人住宅楼建设有异议,请于公示期间进行反馈,意见反馈方式:

一、电子邮件请发送到:sy88362336@sanya.gov.cn;

二、书面意见请邮寄到:三亚市吉阳区吉阳大道218号A1栋401室,三亚市自然资源和规划局吉阳分局,邮政编码:572000;

三、咨询电话:88712568,联系人:陈政。

意见反馈请注明联系方式,单位反馈意见并加盖公章。

附件:1.效果图

      2.总平面图

      3.立面图














扫一扫在手机打开当前页

版权所有@三亚市自然资源和规划局   中文域名:三亚市自然资源和规划局.政务

主办:三亚市自然资源和规划局   开发维护:三亚市营商环境综合服务中心

ICP备案编号:琼ICP备2025053545号    政府网站标识码:4602000050   琼公网安备琼公网安备 46020302000122号