首页>信息公开>城市规划公示>项目公示>批前公示
项目名称: 关于林鸿文在三亚市天涯区南海社区渔村路四巷北三巷3号建设私人住宅楼项目的批前公示
公示开始时间: 2025-11-18 公示结束时间: 2025-11-26
公示来源: 三亚市自然资源和规划局 公示状态:

项目详情

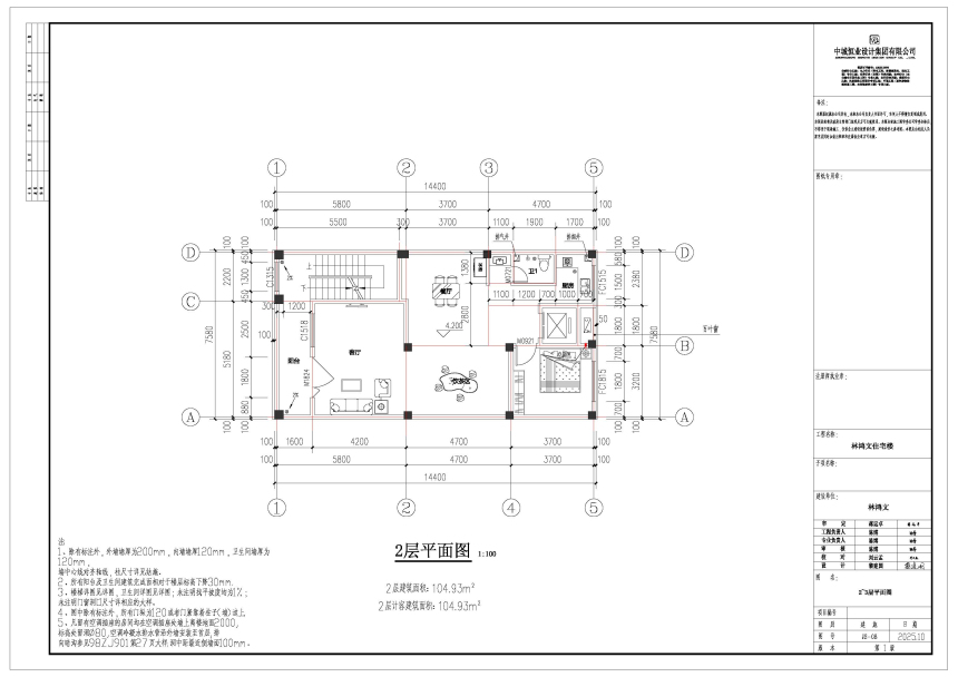
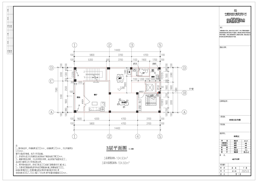
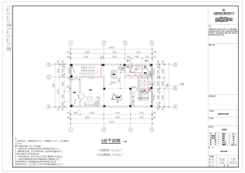
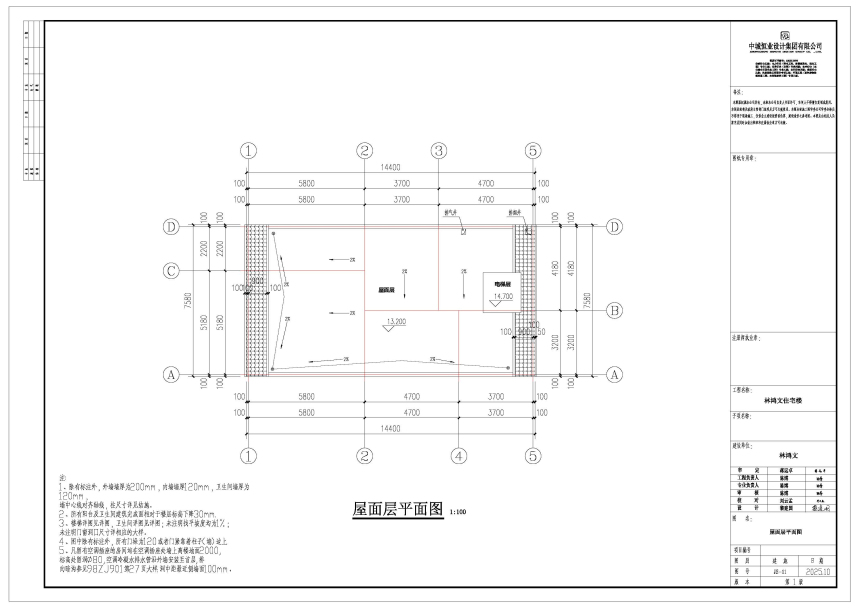
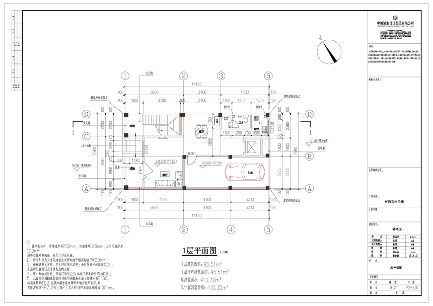
林鸿文申请在三亚市天涯区南海社区渔村路四巷北三巷3号权属用地范围内建设私人住宅楼,相关指标为:该私宅用地面积120.00平方米,建筑占地面积109.15平方米,总建筑面积410.30平方米,建筑层数为地上四层,建筑高度14.2米(因场地存在高差,导致建筑高度超出规划设计条件高度)。建筑退线要求为:南侧、北侧退用地红线≥0.2米,不得开设门窗、阳台等,做防火墙处理;西侧退用地红线≥0.2米,首层做骑楼退建筑控制线1.8米;东侧退用地红线≥0.2米,门窗应为防火门窗,外墙做防火墙处理。

根据相关规定,现按程序对该项目进行批前公示,公示时间为7个工作日(2025年11月18日至2025年11月26日),如有意见,请于公示结束前反馈,意见反馈方式:

一、电子邮件请发送到:sy88362336@sanya.gov.cn。

二、书面意见请邮寄到:三亚市天涯区凤凰路319号,三亚市自然资源和规划局天涯规划服务中心,邮政码:572000。

三、咨询电话:88288760,联系人:林玲。

意见反馈请注明联系方式,单位反馈意见并加盖公章。

附件:1.项目区位图

      2.总平面图

      3.单体图

      4.效果图




























扫一扫在手机打开当前页

版权所有@三亚市自然资源和规划局   中文域名:三亚市自然资源和规划局.政务

主办:三亚市自然资源和规划局   开发维护:三亚市营商环境综合服务中心

ICP备案编号:琼ICP备14000806号-1    政府网站标识码:4602000050   琼公网安备琼公网安备 46020302000122号